NV交叉滚子行程
NV型的行程变更请咨询客服。变更交叉滚柱导轨SV型、SVW型的行程时,需按照以下方法确定行程,计算额定负荷。
SV型、SVW型的行程
在交叉滚柱导轨中,轨道移动时保持器也会随之向同方向移动轨道移动量的一半。所以,负荷被固定在工作台上面时,负荷的中心和保持器的中心之间的距离根据工作台移动量发生变化。
因此,为了得到稳定的精度,请在满足以下条件的前提下确定行程和轨道的长度。


润滑
交叉滚柱导轨在出厂时涂有锂皂基润滑脂,因此可直接使用。之后请配合使用情况适时补给同系的润滑脂。另外NB准备了直线运动系统用低发尘润滑脂。
防尘
废弃物或灰尘等异物进入交叉滚柱导轨的内部时,会出现精度下降、寿命缩短等问题。因此在环境较恶劣的地方使用时,请在外部设置保护盖用于保护交叉滚柱
导轨。
防尘设备范例

NV型、SV型


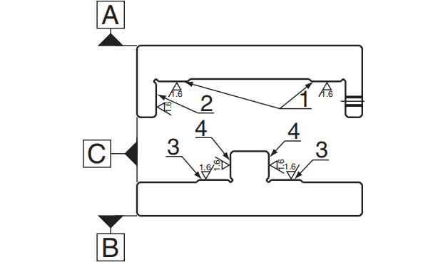
安装面的精度
为了充分发挥NB交叉滚柱导轨的性能,推荐将安装面的各精度与交叉滚柱导轨的平行度加工为同等级。
以A面为基准,1面的平行度
以A面为基准,2面的直角度
以B面为基准,3面的平行度
以B面为基准,4面的直角度
以C面为基准,2面的平行度
以C面为基准,4面的平行度
